img
img
Зателефонувати Вам? +38 097 967-48-45 img
img
Виберіть авто
Марка
Модель
Модифікація
Група
Підгрупа

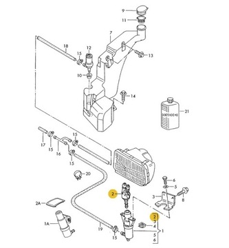
Система очистки фар і скла для AUDI A8

Інші підкатегорії
для категорії Система очистки фар і скла для AUDI A8

img Код товару: 11874621626 Audi OEg8955987a форсунка омивача + ФОРСУНКА ОМИВАЧА З ПІДІГРІВОМ AUDI A7g8955988a
2808 ₴
img Код товару: 12354671745 Audi OEd1955408k плече склоочисники
1950 ₴
img Код товару: 13624322164 Бак рідини омивача Audi A8 D3
1950 ₴
img Код товару: 13921892863 СТЕБЛО ФОРСУНКА ФАРИ ЛІВА AUDI A8 D3e0955965a
4075.5 ₴
img Код товару: 14069906812 МЕХАНІЗМ СКЛООЧИСНИКІВ A8 D2 ДО FLd0955113c
9100 ₴
img Код товару: 14358851244 ДРОТИ ОМИВАЧА ФАР AUDI A8 D3
2827.5 ₴
img Код товару: 14556578189 ОРИГІНАЛ ПРАВА ФОРСУНКА ОМИВАЧА ФАР AUDI A8 D2d0955990a
3120 ₴
img Код товару: 14827315115 МЕХАНІЗМ СКЛООЧИСНИКІВ AUDI A8 D2d1955113
9100 ₴
img Код товару: 15074787645 AUDI A8 D5 ДРОТИ ОМИВАЧА ЄВРОПА 2018Rn1955954e
5987.8 ₴
img Код товару: 15338215965 Audi OEh1955023f механізм склоочисників
2320.5 ₴
img Код товару: 15364129957 AUDI A4 B8k A5t ДАТЧИК ДАТЧИК DESZCZUk0955559a
3295.5 ₴
img Код товару: 15484337245 AUDI A8 D4 МЕХАНІЗМ СКЛООЧИСНИКІВh1955119d
1950 ₴
img Код товару: 15832475717 НАСОС ОМИВАЧА ФАР AUDI A8 S8 D3d0955681
4855.5 ₴
img Код товару: 16018507814 AUDI A8 D5 БАЧОК SPRYSKIWACZYn0955449c
4680 ₴
img Код товару: 16279735035 МЕХАНІЗМ ДВИГУН СКЛООЧИСНИКИ ЗАД. ЗАДНЬОЇ AUDI A3 8Ll0955711a
1950 ₴
img Код товару: 16334889712 VW Touran 2006 МПВ 4/5drv2955119a 1397220662
1950 ₴
img Код товару: 16405468542 Audi OEk0955559a датчик дощу
3315 ₴
img Код товару: 16461667291 AUDI A6 C6 A8 D3 Q7 A4 B7 ДАТЧИК ДОЩУ SENSORe0955559c
3705 ₴
img Код товару: 16581078412 Омивач фари правий кріплення Audi A5w6 F5w6955102aw6955776a
4387.5 ₴
img Код товару: 16624695368 ЕЛЕКТРОДВИГУН ДВИГУН СКЛООЧИСНИКІВ ПЕРЕД AUDI A8 D2 0390241438,d1955113c
7279.87 ₴
img Код товару: 16625819083 Valeo 579603 Двигун склоочисників
8006.05 ₴
img Код товару: 16631352770 МЕХАНІЗМ СКЛООЧИСНИКІВ 3397020761,e1955523k AUDI A8 D3 ЄВРОПА
4289.87 ₴
img Код товару: 16700801698 AUDI A6 C6 A8 D3 Q7 ДАТЧИК ДОЩУ SENSORe0955559c + КРІПЛЕННЯ
6351.8 ₴
img Код товару: 16708155178 AUDI A8 D3 ЗАГЛУШКА ОМИВАЧА LEWAe0900452aa Ly7w
2925 ₴
img Код товару: 16708312805 AUDI A8 D3 МЕХАНІЗМ ЕЛЕКТРОДВИГУН СКЛООЧИСНИКІВ PRZODe1955023k
4485 ₴
img Код товару: 16738823356 ОМИВАЧ MGIELKOWY ОМИВАЧІ СКЛО ТУМАННИЙ AUDI A4 B9 A5w КОМПЛЕКТ
1950 ₴
img Код товару: 16792223153 AUDI A8 D2 МЕХАНІЗМ СКЛООЧИСНИКІВ ПЕРЕД
3900 ₴
img Код товару: 16805355850 МЕХАНІЗМ ЕЛЕКТРОДВИГУН СКЛООЧИСНИКІВ AUDI A8 D3
4855.5 ₴
img Код товару: 16806518966 Audi OEj0955987g форсунка омивача
3607.5 ₴

Оригінальні
номери

Розгорнути
Популярні
товари
Завантаження...